全金屬密封副
全金屬雙向壓蝶閥密封副采用金屬對金屬硬碰硬密封,閥座/密封圈完全由金屬材料制成,且做表面硬化處理,即使啟閉頻繁,閥門仍能保持高的密封性能,極大提高了閥門的使用壽命
雙尚密封設計
實現雙向密封,能正、反雙向承壓,正或反向承壓時均不發生內漏,且滿足標準零泄露要求;
雙重安全構造
為防止因受流體壓力、溫度的影響而引起的蝶板變形、閥桿錯位、密封面咬合,在蝶板上下側分別裝有兩個各自獨立的止推環,從而保證了閥門在任何工況下的正常工作;為防止未知原因所引起的閥桿破損飛出而造成的突發事故在閥門下端內外兩處設計了各自獨立的閥桿防吹出結構;
無死區設計
在設計過程中,特別考慮了在調控領域中的應用問題,充分利用三偏心蝶閥的密封原理,做到了開啟無死區的角度設計,從而杜絕了打開普通閥門時所常見的開度跳躍現象更排除了閥門的低開度范圍內因磨檫等各種不安定因素所造成的不能調控現象,即排除了死區(不感帶),這意味著幾乎可以從0開度開始即進入可調控區域,直至90開度。
閥座構造
采用了全金屬合金鋼鍛造閥座構造。其優點是抗沖刷、耐磨損、耐高溫高壓,使用壽命長。
可更換換式密封副
密封副均可更換,由于蝶板密封面與蝶板是獨立的,閥座與閥體也是獨立的,所以蝶板密封面及閥座可以同時更換當蝶板密封面或閥座受損時,只需調換蝶板密封面及閥座即可,大大降低了保養成本,減少了維修工時和檢修強度與難度
設計與制造:JB/T8527、GB/T1224、API609、ASME B16.34等標準
連接法蘭:GB/T91113.1~9113.4、ASME B16.5、ASME B16.74等標準
結構長度:GB/T1221、API609、ISO5752
試驗與檢驗:JB/T9092、GB/T26480、API598、ISO5208等標準
公稱通徑:DN50~DN3600mm 2"~144"
公稱壓力:PN2.5~PN260 Clas150~Class1500
適用溫度:-196℃~600℃
主體材料:碳鋼、珞鉬鋼、奧氏體不銹鋼、雙相不銹鋼、鈦合金、哈氏合金、蒙乃爾合金等

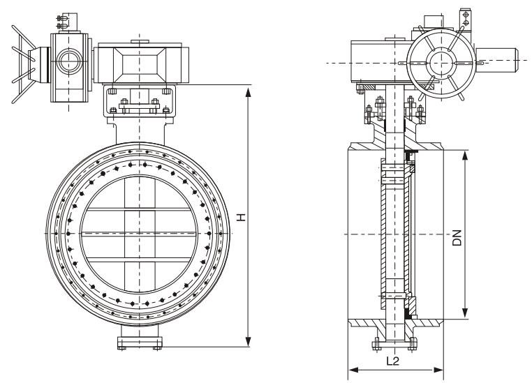
| 公稱通徑 DN(mm) | PN 6 | 近似重量 | ||||||||||||
| L | L1 | L2 | L3 | D | D1 | D2 | C | H | N-d | Kg(L) | Kg(L1) | Kg(L2) | Kg(L3) | |
| 80 | 114 | 49 | 180 | 49 | 190 | 150 | 124 | 18 | 310 | 4-18 | 20 | 11 | 17 | 13 |
| 100 | 127 | 56 | 190 | 56 | 210 | 170 | 144 | 18 | 325 | 4-18 | 23 | 13 | 19 | 16 |
| 125 | 140 | 64 | 200 | 64 | 240 | 200 | 174 | 18 | 360 | 8-18 | 28 | 16 | 25 | 20 |
| 150 | 140 | 70 | 210 | 70 | 265 | 225 | 199 | 20 | 395 | 8-18 | 33 | 21 | 28 | 24 |
| 200 | 152 | 71 | 230 | 71 | 320 | 280 | 254 | 22 | 480 | 8-18 | 48 | 28 | 49 | 36 |
| 250 | 165 | 76 | 250 | 76 | 375 | 335 | 309 | 24 | 550 | 12-18 | 54 | 45 | 95 | 52 |
| 300 | 178 | 83 | 270 | 83 | 440 | 395 | 363 | 24 | 610 | 12-22 | 80 | 61 | 130 | 79 |
| 350 | 190 | 92 | 290 | 92 | 490 | 445 | 413 | 24 | 710 | 12-22 | 103 | 82 | 160 | 107 |
| 400 | 216 | 102 | 310 | 102 | 540 | 495 | 463 | 24 | 755 | 16-22 | 145 | 122 | 216 | 150 |
| 450 | 222 | 114 | 330 | 114 | 595 | 550 | 518 | 24 | 835 | 16-22 | 193 | 150 | 248 | 183 |
| 500 | 229 | 127 | 350 | 127 | 645 | 600 | 568 | 26 | 900 | 20-22 | 258 | 205 | 380 | 254 |
| 600 | 267 | 154 | 390 | 154 | 755 | 705 | 667 | 30 | 1060 | 20-26 | 302 | 300 | 495 | 398 |
| 700 | 292 | 165 | 430 | 165 | 860 | 810 | 772 | 26 | 1170 | 24-26 | 385 | 465 | 595 | 576 |
| 800 | 318 | 190 | 470 | 190 | 975 | 920 | 878 | 26 | 1320 | 24-30 | 525 | 570 | 740 | 690 |
| 900 | 330 | 203 | 510 | 203 | 1075 | 1020 | 978 | 26 | 1440 | 24-30 | 723 | 760 | 1230 | 870 |
| 1000 | 410 | 216 | 550 | 216 | 1175 | 1120 | 1078 | 26 | 1640 | 28-30 | 990 | 975 | 1450 | 1180 |
| 1200 | 470 | 254 | 630 | 254 | 1405 | 1340 | 1295 | 28 | 1720 | 32-33 | 1455 | 1250 | 2180 | 1490 |
| 1400 | 530 | 390 | 710 | 390 | 1630 | 1560 | 1510 | 32 | 2055 | 36-36 | 1860 | 1780 | 2980 | 2050 |
| 1600 | 600 | 440 | 790 | 440 | 1830 | 1760 | 1710 | 34 | 2185 | 40-36 | 2180 | 1990 | ||
| 1800 | 670 | 490 | 870 | 490 | 2045 | 1970 | 1918 | 36 | 2390 | 44-39 | 3950 | |||
| 2000 | 760 | 540 | 950 | 540 | 2265 | 2180 | 2125 | 38 | 2620 | 48-42 | ||||
| 2200 | 800 | 590 | 1000 | 590 | 2475 | 2390 | 2335 | 42 | 2980 | 52-42 | ||||
| 2400 | 850 | 650 | 1100 | 650 | 2685 | 2600 | 2545 | 44 | 3150 | 56-42 | ||||
| 2600 | 900 | 700 | 1200 | 700 | 2905 | 2810 | 2750 | 46 | 3320 | 60-48 | ||||
| 2800 | 950 | 760 | 1300 | 760 | 3115 | 3020 | 2960 | 48 | 3550 | 64-48 | ||||
| 3000 | 1000 | 810 | 1400 | 810 | 3315 | 3220 | 3160 | 50 | 3770 | 68-48 | ||||
| 公稱通徑 DN(mm) | PN 10 | 近似重量 | ||||||||||||
| L | L1 | L2 | L3 | D | D1 | D2 | C | H | N-d | Kg(L) | Kg(L1) | Kg(L2) | Kg(L3) | |
| 80 | 114 | 49 | 180 | 49 | 200 | 160 | 132 | 20 | 310 | 8-18 | 22 | 11 | 17 | 13 |
| 100 | 127 | 56 | 190 | 56 | 220 | 180 | 156 | 22 | 325 | 8-18 | 24 | 13 | 19 | 19 |
| 125 | 140 | 64 | 200 | 64 | 250 | 210 | 184 | 22 | 360 | 8-18 | 30 | 16 | 25 | 23 |
| 150 | 140 | 70 | 210 | 70 | 285 | 240 | 211 | 24 | 395 | 8-22 | 38 | 21 | 28 | 29 |
| 200 | 152 | 71 | 230 | 71 | 340 | 295 | 266 | 24 | 480 | 8-22 | 56 | 28 | 49 | 51 |
| 250 | 165 | 76 | 250 | 76 | 395 | 350 | 319 | 26 | 550 | 12-22 | 70 | 45 | 95 | 69 |
| 300 | 178 | 83 | 270 | 83 | 445 | 400 | 370 | 26 | 610 | 12-22 | 92 | 61 | 130 | 109 |
| 350 | 190 | 92 | 290 | 92 | 505 | 460 | 429 | 26 | 710 | 16-22 | 115 | 82 | 178 | 143 |
| 400 | 216 | 102 | 310 | 102 | 565 | 515 | 480 | 26 | 755 | 16-26 | 169 | 122 | 238 | 195 |
| 450 | 222 | 114 | 330 | 114 | 615 | 565 | 530 | 28 | 835 | 20-26 | 220 | 150 | 275 | 265 |
| 500 | 229 | 127 | 350 | 127 | 670 | 620 | 582 | 28 | 900 | 20-26 | 265 | 205 | 423 | 335 |
| 600 | 267 | 154 | 390 | 154 | 780 | 725 | 682 | 34 | 1060 | 20-30 | 399 | 300 | 550 | 460 |
| 700 | 292 | 165 | 430 | 165 | 895 | 840 | 794 | 34 | 1170 | 24-30 | 489 | 465 | 665 | 740 |
| 800 | 318 | 190 | 470 | 190 | 1015 | 950 | 901 | 36 | 1320 | 24-33 | 652 | 570 | 815 | 920 |
| 900 | 330 | 203 | 510 | 203 | 1115 | 1050 | 1001 | 38 | 1440 | 28-33 | 880 | 760 | 1360 | 1180 |
| 1000 | 410 | 216 | 550 | 216 | 1230 | 1160 | 1112 | 38 | 1640 | 28-36 | 1215 | 975 | 1610 | 1320 |
| 1200 | 470 | 254 | 630 | 254 | 1455 | 1380 | 1328 | 44 | 1720 | 32-39 | 1790 | 1250 | 2415 | 1680 |
| 1400 | 530 | 390 | 710 | 390 | 1675 | 1590 | 1530 | 48 | 2010 | 36-42 | 2480 | 1780 | 3320 | 2160 |
| 1600 | 600 | 440 | 790 | 440 | 1915 | 1820 | 1750 | 52 | 2255 | 40-48 | 3220 | 2640 | ||
| 1800 | 670 | 490 | 870 | 490 | 2115 | 2020 | 1950 | 56 | 2480 | 44-48 | 4350 | |||
| 2000 | 760 | 540 | 950 | 540 | 2325 | 2230 | 2150 | 60 | 2660 | 48-48 | 5600 | |||
| 公稱通徑 DN(mm) | PN 16 | 近似重量 | ||||||||||||
| L | L1 | L2 | L3 | D | D1 | D2 | C | H | N-d | Kg(L) | Kg(L1) | Kg(L2) | Kg(L3) | |
| 80 | 114 | 49 | 180 | 49 | 200 | 160 | 132 | 20 | 310 | 8-18 | 22 | 11 | 17 | 13 |
| 100 | 127 | 56 | 190 | 56 | 220 | 180 | 156 | 22 | 325 | 8-18 | 24 | 13 | 19 | 19 |
| 125 | 140 | 64 | 200 | 64 | 250 | 210 | 184 | 22 | 360 | 8-18 | 30 | 16 | 25 | 23 |
| 150 | 140 | 70 | 210 | 70 | 285 | 240 | 211 | 24 | 395 | 8-22 | 38 | 21 | 28 | 29 |
| 200 | 152 | 71 | 230 | 71 | 340 | 295 | 266 | 24 | 480 | 12-22 | 56 | 40 | 49 | 51 |
| 250 | 165 | 76 | 250 | 76 | 405 | 355 | 319 | 26 | 550 | 12-26 | 80 | 50 | 95 | 69 |
| 300 | 178 | 83 | 270 | 83 | 460 | 410 | 370 | 28 | 610 | 12-26 | 108 | 75 | 130 | 109 |
| 350 | 190 | 92 | 290 | 92 | 520 | 470 | 429 | 30 | 710 | 16-26 | 140 | 102 | 178 | 143 |
| 400 | 216 | 102 | 310 | 102 | 580 | 525 | 480 | 32 | 755 | 16-30 | 206 | 145 | 238 | 195 |
| 450 | 222 | 114 | 330 | 114 | 640 | 585 | 548 | 40 | 835 | 20-30 | 262 | 190 | 275 | 265 |
| 500 | 229 | 127 | 350 | 127 | 715 | 650 | 609 | 44 | 900 | 20-33 | 318 | 255 | 423 | 335 |
| 600 | 267 | 154 | 390 | 154 | 840 | 770 | 720 | 54 | 1060 | 20-36 | 470 | 360 | 550 | 460 |
| 700 | 292 | 165 | 430 | 165 | 910 | 840 | 794 | 40 | 1170 | 24-36 | 553 | 470 | 665 | 740 |
| 800 | 318 | 190 | 470 | 190 | 1025 | 950 | 901 | 42 | 1320 | 24-39 | 688 | 655 | 815 | 920 |
| 900 | 330 | 203 | 510 | 203 | 1125 | 1050 | 1001 | 44 | 1440 | 28-39 | 999 | 897 | 1360 | 1180 |
| 1000 | 410 | 216 | 550 | 216 | 1255 | 1170 | 1112 | 46 | 1640 | 28-42 | 1435 | 1132 | 1610 | 1320 |
| 1200 | 470 | 254 | 630 | 254 | 1485 | 1390 | 1328 | 52 | 1850 | 32-48 | 2200 | 1400 | 2415 | 1680 |
| 1400 | 530 | 390 | 710 | 390 | 1685 | 1590 | 1530 | 58 | 2040 | 36-48 | 3200 | 1900 | 3320 | 2160 |
| 1600 | 600 | 440 | 790 | 440 | 1930 | 1820 | 1750 | 64 | 2280 | 40-55 | 6000 | 2900 | ||
| 1800 | 670 | 490 | 870 | 490 | 2130 | 2020 | 1950 | 68 | 2495 | 44-55 | 6900 | 4000 | ||
| 2000 | 760 | 540 | 950 | 540 | 2345 | 2230 | 2150 | 70 | 2685 | 48-60 | 9100 | 5300 | ||
| 公稱通徑 DN(mm) | PN 25 | 近似重量 | ||||||||||||
| L | L1 | L2 | L3 | D | D1 | D2 | C | H | N-d | Kg(L) | Kg(L1) | Kg(L2) | Kg(L3) | |
| 80 | 114 | 49 | 180 | 49 | 200 | 160 | 132 | 24 | 310 | 8-18 | 23 | 11 | 17 | 13 |
| 100 | 127 | 56 | 190 | 56 | 235 | 190 | 156 | 24 | 325 | 8-22 | 25 | 13 | 19 | 19 |
| 125 | 140 | 64 | 200 | 64 | 270 | 220 | 184 | 26 | 360 | 8-26 | 34 | 16 | 25 | 23 |
| 150 | 140 | 70 | 210 | 70 | 300 | 250 | 211 | 28 | 395 | 8-26 | 42 | 21 | 28 | 29 |
| 200 | 152 | 71 | 230 | 71 | 360 | 310 | 274 | 30 | 480 | 12-26 | 58 | 40 | 49 | 51 |
| 250 | 165 | 76 | 250 | 76 | 425 | 370 | 330 | 32 | 550 | 12-30 | 90 | 50 | 95 | 69 |
| 300 | 178 | 83 | 270 | 83 | 485 | 430 | 389 | 34 | 610 | 16-30 | 120 | 75 | 130 | 109 |
| 350 | 190 | 92 | 290 | 92 | 555 | 490 | 448 | 38 | 710 | 16-33 | 170 | 102 | 178 | 143 |
| 400 | 216 | 102 | 310 | 102 | 620 | 550 | 503 | 40 | 755 | 16-36 | 235 | 145 | 238 | 195 |
| 450 | 222 | 114 | 330 | 114 | 670 | 600 | 548 | 46 | 835 | 20-36 | 285 | 190 | 275 | 265 |
| 500 | 229 | 127 | 350 | 127 | 730 | 660 | 609 | 48 | 900 | 20-36 | 385 | 255 | 423 | 335 |
| 600 | 267 | 154 | 390 | 154 | 845 | 770 | 720 | 58 | 1060 | 20-39 | 580 | 360 | 550 | 460 |
| 700 | 292 | 165 | 430 | 165 | 960 | 875 | 820 | 50 | 1170 | 24-42 | 705 | 470 | 665 | 740 |
| 800 | 318 | 190 | 470 | 190 | 1085 | 990 | 928 | 54 | 1320 | 24-48 | 970 | 655 | 815 | 920 |
| 900 | 330 | 203 | 510 | 203 | 1185 | 1090 | 1028 | 58 | 1440 | 28-48 | 1225 | 897 | 1360 | 1180 |
| 1000 | 410 | 216 | 550 | 216 | 1320 | 1210 | 1140 | 62 | 1640 | 28-55 | 1680 | 1132 | 1610 | 1320 |
| 1200 | 470 | 254 | 630 | 254 | 1530 | 1420 | 1350 | 70 | 1850 | 32-55 | 2450 | 1580 | 2415 | 1680 |
| 1400 | 530 | 390 | 710 | 390 | 1755 | 1640 | 1560 | 76 | 2040 | 36-60 | 3600 | 2100 | 3320 | 2160 |
| 公稱通徑 DN(mm) | PN 40 | |||||||||
| L | L1 | L2 | L3 | D | D1 | D2 | C | H | N-d | |
| 80 | 114 | 49 | 180 | 49 | 200 | 160 | 132 | 24 | 310 | 8-18 |
| 100 | 127 | 56 | 190 | 56 | 235 | 190 | 156 | 24 | 325 | 8-22 |
| 125 | 140 | 64 | 200 | 64 | 270 | 220 | 184 | 26 | 360 | 8-26 |
| 150 | 140 | 70 | 210 | 70 | 300 | 250 | 211 | 28 | 395 | 8-26 |
| 200 | 230 | 71 | 230 | 71 | 375 | 320 | 284 | 34 | 515 | 12-30 |
| 250 | 250 | 76 | 250 | 76 | 450 | 385 | 345 | 38 | 675 | 12-33 |
| 300 | 270 | 83 | 270 | 83 | 515 | 450 | 409 | 42 | 805 | 16-33 |
| 350 | 290 | 92 | 290 | 92 | 580 | 510 | 465 | 46 | 850 | 16-36 |
| 400 | 310 | 102 | 310 | 102 | 660 | 585 | 535 | 50 | 895 | 16-39 |
| 450 | 330 | 152 | 330 | 152 | 685 | 610 | 560 | 57 | 960 | 20-39 |
| 500 | 350 | 159 | 350 | 159 | 755 | 670 | 615 | 57 | 1030 | 20-42 |
| 600 | 390 | 181 | 390 | 181 | 890 | 795 | 735 | 72 | 1180 | 20-48 |
| 公稱通徑 DN(mm) | PN 63 | |||||||||
| L | L1 | L2 | L3 | D | D1 | D2 | C | H | N-d | |
| 80 | 180 | 64 | 180 | 64 | 215 | 170 | 132 | 28 | 310 | 8-22 |
| 100 | 190 | 64 | 190 | 64 | 250 | 200 | 156 | 30 | 325 | 8-26 |
| 125 | 200 | 70 | 200 | 70 | 295 | 240 | 184 | 34 | 360 | 8-30 |
| 150 | 210 | 76 | 210 | 76 | 345 | 280 | 211 | 36 | 430 | 8-33 |
| 200 | 230 | 89 | 230 | 89 | 415 | 345 | 284 | 42 | 535 | 12-36 |
| 250 | 250 | 114 | 250 | 114 | 470 | 400 | 345 | 46 | 695 | 12-36 |
| 300 | 270 | 114 | 270 | 114 | 530 | 460 | 409 | 52 | 805 | 16-36 |
| 350 | 290 | 127 | 290 | 127 | 600 | 525 | 465 | 56 | 880 | 16-39 |
| 400 | 310 | 140 | 310 | 140 | 670 | 585 | 535 | 60 | 930 | 16-42 |
| 450 | 330 | 160 | 330 | 160 | 715 | 630 | 560 | 64 | 990 | 20-42 |
| 500 | 350 | 170 | 350 | 170 | 800 | 705 | 615 | 68 | 1050 | 20-48 |
| 600 | 390 | 200 | 390 | 200 | 930 | 820 | 735 | 76 | 1230 | 20-56 |
| 公稱通徑 DN(mm) | PN 100 | |||||||||
| L | L1 | L2 | L3 | D | D1 | D2 | C | H | N-d | |
| 150 | 210 | 76 | 210 | 76 | 355 | 290 | 211 | 44 | 425 | 12-33 |
| 200 | 230 | 89 | 230 | 89 | 430 | 360 | 284 | 52 | 640 | 12-36 |
| 250 | 250 | 114 | 250 | 114 | 505 | 430 | 345 | 60 | 745 | 12-39 |
| 300 | 270 | 114 | 270 | 114 | 585 | 500 | 409 | 68 | 820 | 16-42 |
| 350 | 290 | 127 | 290 | 127 | 655 | 560 | 465 | 74 | 935 | 16-48 |
| 400 | 310 | 140 | 310 | 140 | 715 | 620 | 535 | 82 | 975 | 16-48 |
| 450 | 330 | 160 | 330 | 160 | 770 | 675 | 560 | 89 | 1110 | 20-48 |
| 500 | 350 | 170 | 350 | 170 | 870 | 760 | 615 | 94 | 1215 | 20-56 |
| 600 | 390 | 200 | 390 | 200 | 990 | 875 | 735 | 102 | 1300 | 20-62 |