結構特點
1、產品結構合理、密封可靠、性能優良、造型美觀;
2、可根據管路工況要求,設計成多種流通形式(如L型、T型等)、多種材質(如鑄鐵、鑄鋼、不銹鋼)、多種密封形式(如硬密封、卡 套密封、油密封等)的三通、四通旋塞閥。
3、零件材質及法蘭尺寸可根據實際工況或用戶要求合理選配,滿足各種工程需要。
技術規范
| 結構形式 | BB-BG |
| 驅動方式 | 手柄,蝸輪蝸桿傳動,氣動,電動 |
| 設計標準 | AP1599、AP16D、GB12240 |
| 結構長度 | ASMEB16.10. GB12221. DIN3202 |
| 連接法蘭 | ASMEB16.5, JB79、GB9113. DIN2543-2545 |
| 試驗和檢驗 | AP159& AP16D、GB13927、DIN3230 |
產品性能規范
| 公稱壓力(LB) | 殼體試驗壓力(MPa) | 密封試驗壓力(MPa) | 公稱壓力(MPa) | 殼體試驗壓力(MPa) | 密封試驗壓力(MPa) | |
| 150 | 3.0 | 2.2 | 1.6 | 2.4 | 1.76 | |
| 2.5 | 3.75 | 2.75 | ||||
| 300 | 7.5 | 5.5 | ||||
| 4.0 | 6.0 | 4.4 | ||||
| 600 | 15.0 | 11.0 | 6.4 | 9.6 | 7.04 | |
| 10.0 | 15.0 | 11.0 | ||||
| 900 | 22.5 | 16.5 | ||||
| 16.0 | 24.0 | 17.6 |
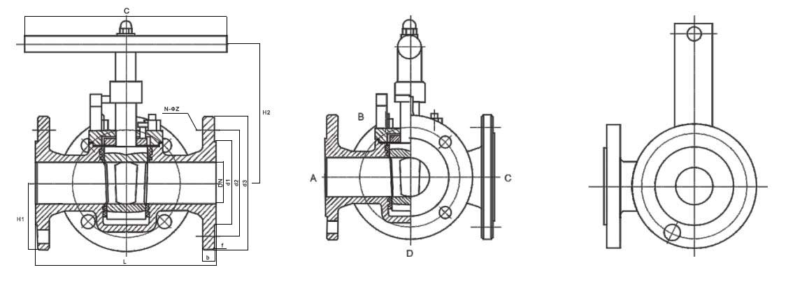
產品尺寸

| DN | L | d1 | d2 | d3 | b | f | H1 | H2 | c | N-ФZ |
| 150Lb | ||||||||||
| 1/2 | 108 | 35 | 60.5 | 89 | 11 | 2 | 68 | 150 | 300 | 4-15 |
| 3/4 | 117 | 43 | 70 | 98 | 11 | 2 | 73 | 155 | 300 | 4-15 |
| 1 | 127 | 51 | 79.5 | 108 | 12 | 2 | 80 | 160 | 300 | 4-15 |
| 1¼ | 140 | 64 | 89 | 117 | 13 | 2 | 85 | 180 | 350 | 4-15 |
| 1½ | 165 | 73 | 98.5 | 127 | 15 | 2 | 95 | 190 | 400 | 4-15 |
| 2 | 178 | 92 | 120.5 | 152 | 16 | 2 | 110 | 200 | 500 | 4-19 |
| 2½ | 190 | 105 | 139.5 | 178 | 18 | 2 | 125 | 220 | 500 | 4-19 |
| 3 | 203 | 127 | 152.5 | 190 | 19 | 2 | 130 | 230 | 500 | 4-19 |
| 4 | 229 | 157 | 190.5 | 229 | 24 | 2 | 155 | 380 | / | 8-19 |
| 5 | 254 | 186 | 216 | 254 | 24 | 2 | 175 | 460 | / | 8-22 |
| 6 | 267 | 216 | 241.5 | 279 | 26 | 2 | 185 | 520 | / | 8-22 |
| 8 | 292 | 270 | 298.5 | 343 | 29 | 2 | 225 | 580 | / | 8-22 |
| 10 | 330 | 324 | 362 | 406 | 31 | 2 | 260 | 620 | / | 12-25 |
| 12 | 356 | 381 | 432 | 483 | 32 | 2 | 300 | 680 | / | 12-25 |
| 300Lb | ||||||||||
| 1/2 | 140 | 35 | 66.5 | 95 | 15 | 2 | 75 | 150 | 300 | 4-15 |
| 3/4 | 152 | 43 | 82.5 | 117 | 16 | 2 | 91 | 155 | 300 | 4-19 |
| 1 | 165 | 51 | 89 | 124 | 18 | 2 | 95 | 160 | 300 | 4-19 |
| 1¼ | 178 | 64 | 98.5 | 133 | 19 | 2 | 100 | 180 | 350 | 4-19 |
| 1½ | 190 | 73 | 114.5 | 156 | 21 | 2 | 120 | 190 | 400 | 4-22 |
| 2 | 216 | 92 | 127 | 165 | 23 | 2 | 125 | 200 | 500 | 8-19 |
| 2½ | 241 | 105 | 149 | 190 | 26 | 2 | 140 | 220 | 500 | 8-22 |
| 3 | 283 | 127 | 168.5 | 210 | 29 | 2 | 155 | 230 | 500 | 8-22 |
| 4 | 305 | 157 | 200 | 254 | 32 | 2 | 185 | 380 | / | 8-22 |
| 5 | 381 | 186 | 235 | 279 | 35 | 2 | 200 | 460 | / | 8-22 |
| 6 | 403 | 216 | 270 | 318 | 37 | 2 | 220 | 520 | / | 12-22 |
| 8 | 419 | 270 | 330 | 381 | 42 | 2 | 257 | 580 | / | 12-25 |
| 10 | 457 | 324 | 387.5 | 445 | 48 | 2 | 300 | 620 | / | 16-25 |
| 12 | 502 | 381 | 451 | 521 | 51 | 2 | 340 | 680 | / | 16-25 |
| 600Lb | ||||||||||
| 1/2 | 165 | 35 | 66.5 | 95 | 22 | 7 | 82 | 150 | 300 | 4-15 |
| 3/4 | 190 | 43 | 82.5 | 118 | 23 | 7 | 98 | 155 | 300 | 4-19 |
| 1 | 216 | 51 | 89 | 124 | 25 | 7 | 102 | 160 | 300 | 4-19 |
| 1¼ | 229 | 64 | 98.5 | 133 | 28 | 7 | 108 | 180 | 350 | 4-19 |
| 1½ | 241 | 73 | 114.5 | 156 | 30 | 7 | 128 | 190 | 400 | 4-22 |
| 2 | 292 | 92 | 127 | 165 | 33 | 7 | 135 | 200 | 500 | 8-19 |
| 2½ | 330 | 105 | 149 | 190 | 36 | 7 | 155 | 220 | 500 | 8-22 |
| 3 | 356 | 127 | 168 | 210 | 39 | 7 | 165 | 230 | 500 | 8-22 |
| 4 | 432 | 157 | 216 | 273 | 45 | 7 | 208 | 380 | / | 8-25 |
| 5 | 508 | 186 | 266.5 | 330 | 52 | 7 | 245 | 460 | / | 8-29 |
| 6 | 559 | 216 | 292 | 356 | 55 | 7 | 265 | 520 | / | 12-29 |
| 8 | 660 | 270 | 349 | 419 | 63 | 7 | 300 | 580 | / | 12-32 |
| 10 | 787 | 324 | 432 | 508 | 71 | 7 | 355 | 620 | / | 16-35 |
| 12 | 838 | 381 | 489 | 559 | 74 | 7 | 390 | 680 | / | 20-35 |