技術參數
公稱通徑:DN400~2000mm
公稱壓力:PN0.25~1.6MPa
適用介質:水、熱水等
適用溫度:≤100℃
法蘭連接尺寸:GB4216.2~4216.5、GB/T17241.6
壓力試驗: GB/T13927
主要零件材料
閥體、端蓋、連桿架、法蘭管、曲柄:HT200、HT250、QT450-10
閥桿、銷軸、活塞:2Cr13、1Cr18Ni9Ti
閥體密封圈:1Cr18Ni9Ti
活塞密封圈:NBR
連桿:QT450-10
軸承:ZCuAI10Fe3、ZCuZn38Mn2Pb2
填料:NBR
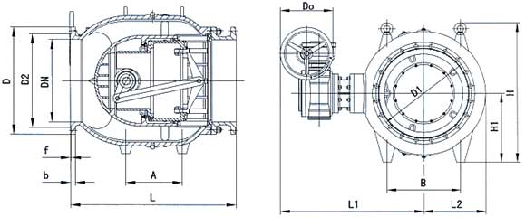
主要尺寸
| DN | L | L1 | L2 | H | H1 | D0 | A | B |
| 400 | 800 | 715 | 308 | 980 | 335 | 250 | 345 | 390 |
| 450 | 900 | 749 | 347 | 1100 | 400 | 250 | 410 | 440 |
| 500 | 1000 | 792 | 383 | 1180 | 450 | 300 | 460 | 500 |
| 600 | 1200 | 847 | 458 | 1250 | 500 | 300 | 510 | 600 |
| 700 | 1400 | 920 | 528 | 1390 | 600 | 300 | 580 | 700 |
| 800 | 1600 | 980 | 599 | 1530 | 700 | 360 | 680 | 800 |
| 900 | 1800 | 1030 | 674 | 1650 | 800 | 360 | 780 | 900 |
| 1000 | 2000 | 1105 | 744 | 1800 | 900 | 400 | 860 | 1000 |
| 1200 | 2400 | 1375 | 852 | 2010 | 1000 | 400 | 950 | 1130 |
| 1400 | 2800 | 1380 | 1031 | 2230 | 1250 | 400 | 1250 | 1380 |
| 1600 | 3200 | 1490 | 1183 | 2480 | 1450 | 400 | 1500 | 1600 |
| 1800 | 3600 | 1780 | 1325 | 2720 | 1650 | 400 | 1750 | 1750 |
| 2000 | 4000 | 1910 | 1476 | 2930 | 1850 | 400 | 2000 | 1950 |